

ChefwareKits
American Made Woodturning Jigs & Tooling for Thread cutting, Open Segment, Basket Weave Illusion, Sphere cutting and more.
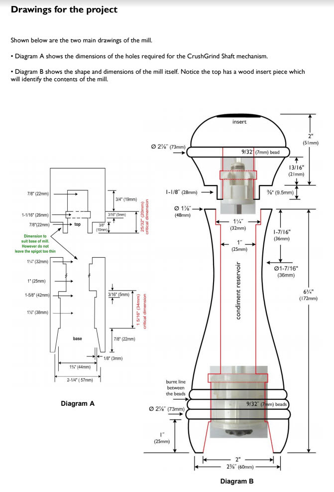
Crushgrind Starter Kit - Easily make a Pepper, Salt or Spice Mill without Glue (2ea CG 10in mech + Color Guide)
A crushgrind mill is an excellent mechanism which will grind salt, pepper and spices.
This kit makes it easy to get started making a Crushgrind mill following the step-by-step color guide created by Chris West from the UK.
Chris West has also created a few excellent turning books which are offered on Amazon Click Here
Includes:
1pc - Color Step by Step Guide Printed
2pc - Crushgrind Mill Mechanisms (10.2in shaft)
Note - This kit does not include the required Robert Sorby 3/4" CrushGrind Tool #895CGH
Example Page from the included Guide - Below is a few example pages from the guide which testifies for the quality of the writing.